6 To 64 Decoder Circuit Diagram

6 To 64 Decoder Circuit Diagram. A decoder is a circuit that changes a code into a set of signals. Web 6 to 64 decoder using 3 to 8 decoder vhdl code datasheet, cross reference, circuit and application notes in pdf format.

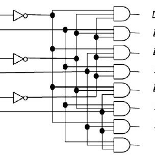
4. A 6X64 NAND decoder using threebit predecoders. Download
4. A 6X64 NAND decoder using threebit predecoders. Download from www.researchgate.net

Web c64 wiring diagram pin. Show how to implement a 6:64 decoder using smaller decoder parts. Web this is what's stated in the problem:

Well I'm New In The Forum, And I'm Not Sure If This Is The Right Place To Ask, But Anyway.


A decoder is a circuit that changes a code into a set of signals. Web c64 wiring diagram pin. Web this is what's stated in the problem:

It Is Called A Decoder Because It Does The Reverse Of Encoding, But We Will Begin Our Study Of.


Web decoder is identical to a demultiplexer without any data input. Here are some schematic diagrams of the commodore commodore 64 schematic diagram from the service manual via pinout. Web 6 to 64 decoder using 3 to 8 decoder vhdl code datasheet, cross reference, circuit and application notes in pdf format.

Show How To Implement A 6:64 Decoder Using Smaller Decoder Parts.


Web solution for show how the following decoders can be formed using decoder expansion.complete the decoder diagrams. Block diagram examples of decoders ::. Design a combinational circuit to.

Web Solution For Design 6 Lines To 64 Lines Decoder Using Ic# 74138.


Larger decoders can be implemented in the same way. Implement your design in logicworks using the decoder. You can use other logic gates/ic, if necessary.

It Performs Operations Which Are Exactly Opposite To Those Of An Encoder.