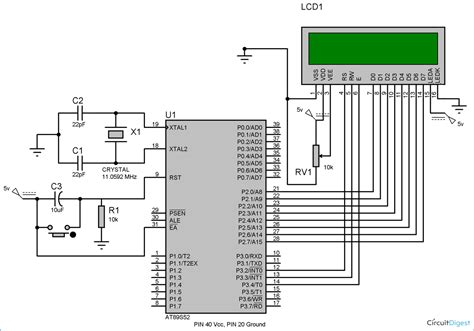
8051 Lcd Interfacing Circuit Diagram

8051 Lcd Interfacing Circuit Diagram. We can see 3 system inputs, 3 control signals and 4 ports (for external interfacing). Web the circuit diagram for led interfacing with 8051 microcontroller 89s52 is shown in above figure.

8051 microcontroller about 16*2 LCD Module
8051 microcontroller about 16*2 LCD Module from 8051seriesmicrocontroller.blogspot.com

Web interfacing 16×2 lcd with 8051 circuit pin diagrams. Read this tutorial to find all the instructions along with the c code and circuit. Web demonstration video for lcd interfacing with 89s52 microcontroller of 8051 series.

Check Out The Complete Tutorial With Circuit Diagram And Code, Here:.


Read this tutorial to find all the instructions along with the c code and circuit. Web in this project, we’ll go through how to connect a interfacing 16×2 lcd with 8051 module to an at89c51, a microcontroller from the 8051 series. Let us discuss a little bit deeper about this basic circuit of 8051 microcontroller.

Web The General Schematic Diagram Of 8051 Microcontroller Is Shown Above.


We can see 3 system inputs, 3 control signals and 4 ports (for external interfacing). Pin 31 (ea) is connected to vcc, which is an active low pin. Web led interfacing with 8051 microcontroller tutorial and circuit diagram how to interface an led with 8051 microcontroller we are very familiar with “hello world!” basic program.

How To Interface Adc0808 Using Clock From 8051 Microcontroller At89C51 Part 25 45.


Wednesday june 28, 2017 / ibrar ayyub. Web demonstration video for lcd interfacing with 89s52 microcontroller of 8051 series. Web interfacing adc 0804 with 8051 microcontroller.

Microcontroller Based Electronic Circuit Diagrams, Electronic Circuit.


16×2 liquid crystal display which will display the 32 characters at a time in two rows (16. Web first we need to interface a lcd module to display the data which will be feed through keypad, so please go through “lcd interfacing with 8051 microcontroller”. Web the circuit diagram for led interfacing with 8051 microcontroller 89s52 is shown in above figure.

Web Interfacing 16×2 Lcd With 8051 Circuit Pin Diagrams.


Web interfacing 16×2 lcd with 8051 circuit diagram: Web the basic circuit includes a reset circuit, the oscillator circuit and power supply.