Amplifier Circuit Diagram With Volume Control

Amplifier Circuit Diagram With Volume Control. Web this is the circuit diagram of a digital volume controller for any sort of audio amplifiers or almost any circuit where a mechanical potentiometer is there (conditions apply). Web understand typical circuits used for tone control in audio amplifiers.

Volume Control Wiring Diagram Volume Controls InWall Stereo Volume
Volume Control Wiring Diagram Volume Controls InWall Stereo Volume from mike-sinclair.blogspot.com

Bipolar transistor cookbook part 7. • ic control of common. In this tutorial we are making two preamplifier (bass, treble and volume control).

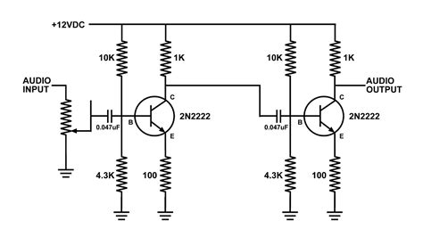
Collector Load Resistor R 1.


Input capacitor c1 blocks dc. What is a volume controller? This controller has an interface with push buttons for external control in a tssop package.

Web A Typical Volume Control Circuit Is Discussed Below.


When press switch s1 adds up the volume and press. Web audio tone control schematic diagram the input buffer amplifier provides a gain of approximately 2 (rf/rin) with the specified resistor values. This circuit could possibly be applied for upgrading your manual volume management within a stereo amplifier circuit.

Web This Is The Circuit Diagram Of A Digital Volume Controller For Any Sort Of Audio Amplifiers Or Almost Any Circuit Where A Mechanical Potentiometer Is There (Conditions Apply).


Web this preamplifier circuit will able to control and adjust bass, treble and volume manually. Web what is a volume control circuit? Not only have been designed for.

In This Tutorial We Are Making Two Preamplifier (Bass, Treble And Volume Control).


Web here is the circuit diagram of stereo digital volume control. Web this is a digital volume control circuit that can be applied to the normal volume of a power amplifier. • ic control of common.

Web Digital Audio Volume Control Circuit Using Pt2258 Ic And Arduino Published June 18, 2020 4 Debashis Das Author Digital Audio Volume Controller Using.


Web volume control circuit for speaker step by guide to enjoy your music. Web may 7, 2010 rust. Analog audio circuit board system of audio amplifier an audio control circuit allows you to change the volume on a speaker system.