Arduino Uno Internal Circuit Diagram

Arduino Uno Internal Circuit Diagram. Safety before beginning to work with any electronics, it is important to follow these safety guidelines to prevent injuries to yourself or the equipment: Web arduino uno pinout description.

arduino uno schematic under Repositorycircuits 23262 Next.gr
arduino uno schematic under Repositorycircuits 23262 Next.gr from www.next.gr

Web the basic operation of an arduino. There are pins with secondary functions as. Tie back any loose hair.

This Reference Design Are Provided “As Is” & “With All Faults.


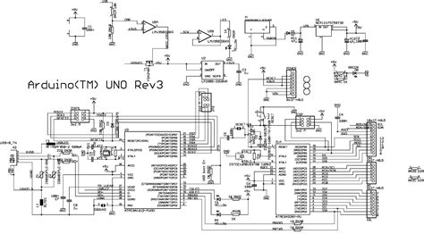
There are pins with secondary functions as. Safety before beginning to work with any electronics, it is important to follow these safety guidelines to prevent injuries to yourself or the equipment: Web the above arduino block diagram shows the important modules on an arduino uno board.

The Arduino Uno Board Is Divided Into Digital Pins, Analog Pins And Power Pins.


We can see that the led lights are connected to. Web the official arduino uno r3 schematic. Arduino disclaims all other warranties, express.

When You Think About The Arduino Board The First Image That.


Circuits consist of at least one active electronic component, and a conductive material, such as wires, so that. Web in this arduino uno circuit diagram, we see several components, including led lights, buttons, and resistors. Web arduino uno pinout diagram.

Web In This Article, We Will Discuss The Key Components Of The Arduino Uno Schematic, Including The Microcontroller, Voltage Regulator, Usb Interface, And Passive.


Tie back any loose hair. Web arduino voltage reference capabilities. Web the basic operation of an arduino.

Web Arduino Uno Pinout Description.


Ijgi free full text structure monitoring with bim and iot the case study of a bridge beam model html. Since it first debuted, the arduino uno has been a huge hit with electronics enthusiasts from beginner hobbyists to professional programmers. 3 block diagram 4 board topology 4.1 front view 4.2.