Arduino Uno R3 Board Circuit Diagram

Arduino Uno R3 Board Circuit Diagram. A light sensor measures the radiant energy present in the wide. By christ joe | january 13, 2023.

15 Arduino Uno R3 Pin Diagram Robhosking Diagram
15 Arduino Uno R3 Pin Diagram Robhosking Diagram from robhosking.com

Web arduino uno reference design usb boot en tm reference designs are provided as is and with all faults. Web the arduino uno r3 is a powerful microcontroller, used by electronics hobbyists and professionals alike to create amazing projects. Arduino uno smd is a microcontroller board based on the atmega328p.

Arduino Uno Smd Is A Microcontroller Board Based On The Atmega328P.


Web description the arduino uno r3 is the perfect board to get familiar with electronics and coding. Arduino disclaims all other warranties,. The versatility of the pinout provides many different options.

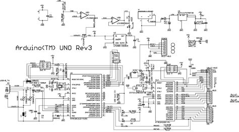
Web The Schematic Circuit Diagram Of The Arduino Uno R3 Board Consists Of The Main Integrated Circuit And The Various Connecting Pins, Which Enables The User To.


It has 14 digital input/output pins (of which 6 can be used as pwm. Circuit diagram is the only thing that you all need, and it is given in these figures clearly. Web the arduino uno pinout consists of 14 digital pins, 6 analog inputs, a power jack, usb connection and icsp header.

Web The Arduino Uno R3 Is A Powerful Microcontroller, Used By Electronics Hobbyists And Professionals Alike To Create Amazing Projects.


Web the arduino uno r3 circuit diagram is made up of several components, including a main processor, power supply, and various input and output ports. Web arduino® uno r3 1 / 1 3 arduino® uno r3 modified: Web arduino uno reference design usb boot en tm reference designs are provided as is and with all faults.

The Arduino Uno R3 Is The Perfect Board To Get Familiar With Electronics And.


A light sensor measures the radiant energy present in the wide. But understanding the arduino uno r3. It generates an output signal that is proportional to the intensity of light.

Web Arduino Uno R3 Schematic.


Web a light sensor is a device that detects light. The arduino uno r3 schematic is an essential tool for any arduino enthusiast. By christ joe | january 13, 2023.