Asynchronous Up Counter Circuit Diagram

Asynchronous Up Counter Circuit Diagram. Web implement the circuit as shown in the circuit diagram. Web discuss prerequisite :

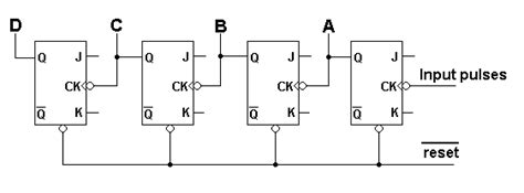
digital logic Realisation of asynchronous decade counter Electrical
digital logic Realisation of asynchronous decade counter Electrical from electronics.stackexchange.com

Web in this article, we will discuss the circuit, operation and timing diagram of synchronous up counter, synchronous down counter and synchronous up/down. Connect the outputs to the switches of o/p leds. Mod10 (decade or bcd) asynchronous up counter circuit.

Web Divided By The Mod Number Of The Counter.


Web implement the circuit as shown in the circuit diagram. Web discuss prerequisite : The counter state transition can.

Web Decade Counter Timing Diagram By Using The Same Idea Of Truncating Counter Output Sequences, The Above Circuit Could Easily Be Adapted To Other Counting Cycles Be Simply.


Mod10 (decade or bcd) asynchronous up counter circuit. Web in this article, we will discuss the circuit, operation and timing diagram of synchronous up counter, synchronous down counter and synchronous up/down. Web download scientific diagram | 4.

Connect The Inputs To The Input Switches Provided In The Ic Trainer Kit.


Digital design laboratory manual | digital. Web the working of counter can be easily understood by the timing diagrams. Connect the outputs to the switches of o/p leds.