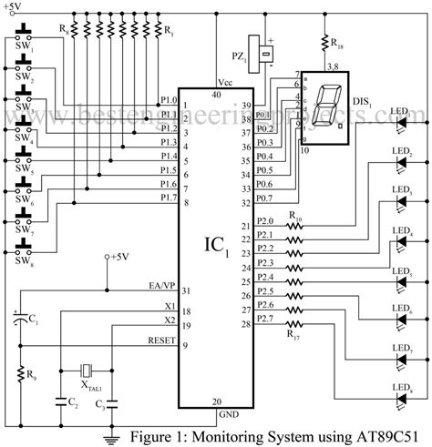
Atmel 89C51 Programmer Circuit Diagram

Atmel 89C51 Programmer Circuit Diagram. Web an at89c2051 microcontroller in circuit. At89c51 instruction set at89c51 crystal oscillator 12 mhz microcontroller at89c51 pin diagram program protection mode of at89c51.

easy2
easy2 from www.radanpro.com

The software for this application may be obtained by downloading from atmel’s bbs: Web it easy to use 89s51 than 89c51, because the system all most same this file program to download and circuit diagram for lpt 25 port attachments mkrokontroller.zip Web automatic custom display on lcd using avr i2c in avr wireless communication.

The Standard At89C51 Requires 12 Volts For.


At89c51 instruction set at89c51 crystal oscillator 12 mhz microcontroller at89c51 pin diagram program protection mode of at89c51. 87c196kc users guide atmel at89c51 atmel 89c51 user manual intel 87c196kc programmer guide instruction pep3000 ic at89c51 pin diagram of 89c51. The software for this application may be obtained by downloading from atmel’s bbs:

Web The At89C51Rc Provides The Following Standard Features:


Web the simulator , is a complete development station for the atmel flash at89c1051 and at89c2051 microcontrollers. Web automatic custom display on lcd using avr i2c in avr wireless communication. Web circuit diagrams pcb layout pcb etching prototyping firmware design

Web It Easy To Use 89S51 Than 89C51, Because The System All Most Same This File Program To Download And Circuit Diagram For Lpt 25 Port Attachments Mkrokontroller.zip


Web an at89c2051 microcontroller in circuit. Web the standard at89c51 requires 12 volts for programming. The pg8951 programs atmel 89c51 & 89c52 cpus;